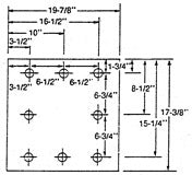
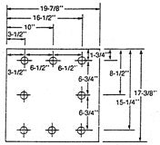
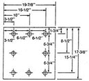
HARRELL MOLDBOARD FOR 2-WAY SWITCH PLOW

SMASKU: 686-MB7921736 | Minimum Purchase Quantity: 1
filler

Supplied without bolts
Price:
Sale price$167.83
Stock:
In stock (10 units), ready to be shipped
Interchange 686MB7921736,
Net Weight (lbs) 30.40

Moldboard to fit Harrell Two Way Swith Plows

Replaces Harrell # 7921736

You may also like

Recently viewed